Задать вопрос
Заказать звонок
video
RU
EN
Перевод единиц | Онлайн калькулятор
Корзина
Сравнение

Пневмоприводный вакуумный затвор ЗВПлП-400 

Купить в АО Вакууммаш ✓ Пневмоприводный вакуумный затвор ЗВПлП-400 ✦ узнать цены и отзывы в каталоге
Купить в АО Вакууммаш ✓ Пневмоприводный вакуумный затвор ЗВПлП-400 ✦ узнать цены и отзывы в каталоге
Купить в АО Вакууммаш ✓ Пневмоприводный вакуумный затвор ЗВПлП-400 ✦ узнать цены и отзывы в каталоге
Купить в АО Вакууммаш ✓ Пневмоприводный вакуумный затвор ЗВПлП-400 ✦ узнать цены и отзывы в каталоге
Фото демонстрационное. Внешний вид может незначительно отличаться. Мы оставляем за собой право на модификации изделий не влияющие на технические характеристики.
Есть в наличии
Пневмоприводный вакуумный затвор ЗВПлП-400
Шиберный вид затвора
3 позиции контроля (открыть/закрыть/промежуточное положение заслонки)
Тип входного фланца ISO-F
Климатическое исполнение УХЛ4
Гарантия 12 месяцев
Соответствует требованиям Технического Регламента Таможенного союза
  • Вид: Шиберный
  • Тип: Пневмоприводный
  • Категория: Запорно-регулирующий затвор
  • Время открывания/закрывания, с: 20
  • Страна / Производитель: Россия / Вакууммаш (Вакма)
  • Диаметр условного прохода, мм: 400
  • Проводимость, м3/с: 50
  • Тип входного фланца: ISO-F
    Напряжение питания
    12 В (постоянный ток)
    • 12 В (постоянный ток)
    • 24 В (постоянный ток)
    • 230 В (переменный ток)
    • -
    Пневмоприводный вакуумный затвор ЗВПлП-400 
    526 200 руб.
    Добавить в сравнение
    Распечатать страницу
    - +
    шт
    УЗНАТЬ ЦЕНУ
    Описание
    Характеристики
    Габариты
    Документы
    Рекомендуем

    Пневмоприводный затвор ЗВПлП-400: описание, преимущества, технические характеристики, габаритный чертёж, рекламные материалы

    Затвор вакуумный с пневмоприводом ЗВПлП-400 относится к запорно-регулирующей вакуумной арматуре, используется для изолирования вакуумных камер от систем, отвечающих за процесс откачки. Затвор позволяет осуществлять контроль за напуском воздуха или газовой среды в камеры, с его помощью можно добиться необходимой герметичности, защитить рабочие элементы от негативного воздействия внешней среды. ЗВПлП-400 предназначен для перекрытия вакуумных систем в диапазоне давлений от 1·10–6до 1,07·105Па (от 0,75·10–8до 800 мм рт. ст.), вид затвора шиберный.




    Установка ЗВПлП-400 совместима с вакуумным насосом


    • Вакуумный насос других производителей





    Напряжение питания
    • - 12 В (постоянный ток)
      - 24 В (постоянный ток)
      - 230 В (переменный ток)



    Производитель
    • АО "Вакууммаш"


    Бренд
    • VACMA (Вакма)


    Страна
    • Россия



    Преимущества ЗВПлП-400

    • ■    Материал корпуса из углеродистой стали
    • ■    Вид уплотнения NBR (нитрильный каучук)
    • ■    Трёх позиционное управление затвора
            (открыть/промежуточное положение/закрыть), контролируется дополнительным датчиком
    • ■    Время открывания/закрывания затвора 20c
    • ■    Тип входного фланца ISO-F
    • ■    Климатическое исполнение УХЛ4
    • ■    Гарантия 12 месяцев, при наработке не превышающей 4500 циклов "Открыто-Закрыто"
    • ■    Соответствует требованиям Технического Регламента Таможенного союза


    Технические характеристики ЗВПлП-400


    Наименование параметра


    Значение затвора ЗВПлП-400

    Проводимость (теоретическая) в молекулярном режиме, м3/с, не менее 50
    Норма герметичности, л·Па/c (л·мкм рт. ст./c), не более 1х10-7 (7,5х10-7)
    Время открывания (закрывания) затвора от пневмопривода, с, не более 20
    Давление воздуха в пневмоцилиндре, кгс/с2 Мпа 0,6-0,8
    Расход воздуха (теоретический), Нл/мин не более 60          
    Перепад давлений в закрытом положении с любой стороны заслонки, Па (мм рт. ст.), не более 1,07х105 (800)
    Допустимый перепад давлений при открывании заслонки, Па (мм рт. ст.), не более 1,33х103 (10)
    Условный проход, мм 400
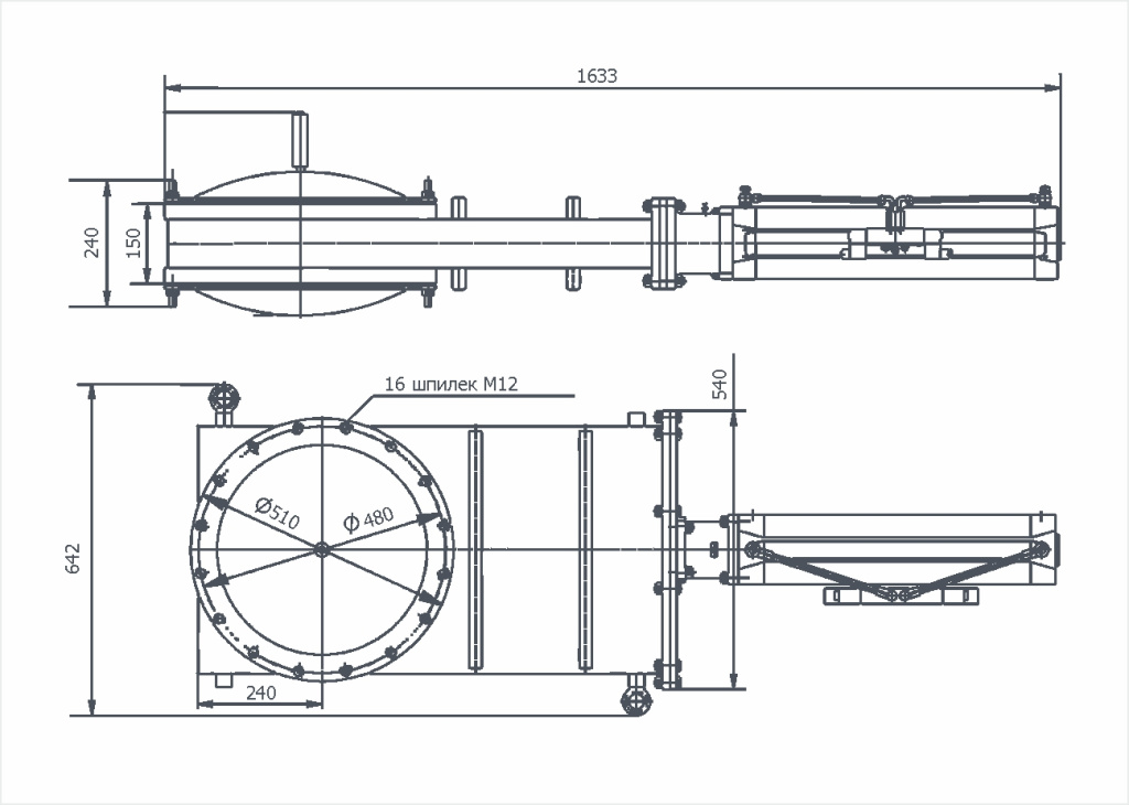
    Габаритные размеры, мм 1633х240х642
    Масса, кг, не более 130

    Габаритный чертёж ЗВПлП-400


    Габаритный чертёж ЗВПлП-400




    МАСТЕР ПОДБОРА ВАКУУМНОГО ОБОРУДОВАНИЯ определит примерные характеристики требуемого насоса

    ПЕРЕВОД ЕДИНИЦ | ОНЛАЙН КАЛЬКУЛЯТОР автоматически пересчитает значения

    СТАТЬИ О ВАКУУМНОЙ ТЕХНИКЕ расширят познания о вакуумной технике

    РЕКЛАМНЫЕ МАТЕРИАЛЫ на вакуумное оборудование и арматуру

    ОБЛАСТИ ПРИМЕНЕНИЯ ВАКУУМНОГО ОБОРУДОВАНИЯ можно узнать на нашем сайте




    Рекомендуем
    • Диффузионный высоковакуумный насос НД-400
    • Бустерный высоковакуумный насос 2НВБМ-400/6000
    • Минеральное вакуумное масло VACMA OIL 300
    Показать все рекомендуемые
    Услуги сервиса
    • Вид: Шиберный
    • Категория: Запорно-регулирующий затвор
    • Время открывания/закрывания, с: 20
    • Страна / Производитель: Россия / Вакууммаш (Вакма)
    • Диаметр условного прохода, мм: 400
    • Проводимость, м3/с: 50
    • Тип входного фланца: ISO-F

        Наименование параметра


        Значение затвора ЗВПлП-400

        Проводимость (теоретическая) в молекулярном режиме, м3/с, не менее 50
        Норма герметичности, л·Па/c (л·мкм рт. ст./c), не более 1х10-7 (7,5х10-7)
        Время открывания (закрывания) затвора от пневмопривода, с, не более 20
        Давление воздуха в пневмоцилиндре, кгс/с2 Мпа 0,6-0,8
        Расход воздуха (теоретический), Нл/мин не более 60          
        Перепад давлений в закрытом положении с любой стороны заслонки, Па (мм рт. ст.), не более 1,07х105 (800)
        Допустимый перепад давлений при открывании заслонки, Па (мм рт. ст.), не более 1,33х103 (10)
        Условный проход, мм 400
        Габаритные размеры, мм 1633х240х642
        Масса, кг, не более 130


        НАШИ ПРЕИМУЩЕСТВА


        Индивидуальный подход
        Лучшие специалисты с многолетним опытом
        Оперативность решений
        Цены от производителя
        Доставка по РФ и СНГ
        Государственные лицензии