Задать вопрос
Заказать звонок
video
RU
EN
Перевод единиц | Онлайн калькулятор
Корзина
Сравнение

Ручной вакуумный клапан КВР-16 

Появится в реестре Минпромторга во 2-м квартале 2026г.
Купить в АО Вакууммаш ✓ Ручной вакуумный клапан КВР-16 ✦ узнать цены и отзывы в каталоге
Купить в АО Вакууммаш ✓ Ручной вакуумный клапан КВР-16 ✦ узнать цены и отзывы в каталоге
Купить в АО Вакууммаш ✓ Ручной вакуумный клапан КВР-16 ✦ узнать цены и отзывы в каталоге
Купить в АО Вакууммаш ✓ Ручной вакуумный клапан КВР-16 ✦ узнать цены и отзывы в каталоге
Фото демонстрационное. Внешний вид может незначительно отличаться. Мы оставляем за собой право на модификации изделий не влияющие на технические характеристики.
Есть в наличии
Появится в реестре Минпромторга во 2-м квартале 2026г.
Ручной вакуумный клапан КВР-16
Тип входного фланца ISO-КF
Климатическое исполнение УХЛ4
Гарантия 12 месяцев
Соответствует требованиям Технического Регламента Таможенного союза
  • Тип: Ручной
  • Категория: Запорно-регулирующий клапан
  • Исполнение: Угловой
  • Страна / Производитель: Россия / Вакууммаш (Вакма)
  • Диаметр условного прохода, мм: 16
  • Проводимость, м3/с: 0,0055
  • Тип входного фланца: ISO-KF
    Материал корпуса
    Алюминий
    • Алюминий
    • Сталь нержавеющая
    • -
    Вид уплотнения
    Витон (фторкаучук)
    • Витон (фторкаучук)
    • NBR (нитрильный каучук)
    • -
    Комплект монтажный частей
    С комплектом
    • С комплектом
    • Без комплекта
    • -
    Ручной вакуумный клапан КВР-16 
    24 400 руб.
    Добавить в сравнение
    Распечатать страницу
    - +
    шт
    УЗНАТЬ ЦЕНУ
    Описание
    Характеристики
    Габариты
    Документы
    Рекомендуем

    Ручной клапан КВР-16: описание, преимущества, технические характеристики, габаритный чертёж, рекламные материалы

    Ручной угловой вакуумный клапан КВР-16 относится к запорно-регулирующей вакуумной арматуре, работает в любом установочном положении и используется для изолирования вакуумных камер от систем, отвечающих за процесс откачки. Клапан КВР-16 позволяет осуществить контроль за напуском воздуха или газовой среды в камеры, с его помощью можно добиться необходимой герметичности, защитить рабочие элементы от негативного воздействия внешней среды, обеспечивает открывание при перепаде давлений с любой стороны клапана не более 800 мм рт.ст. Клапан КВР-16 предназначен для перекрытия вакуумных систем в диапазоне рабочих давлений от 1х10-5 до 1,07х105 Па (от 7,5х10-8 до 800 мм рт.ст.)



    Комплект монтажный частей
    • - С комплектом
      - Без комплекта


    Материал корпуса
    • - Сталь нержавеющая
      - Алюминий


    Тип уплотнения
    • - Витон (фторкаучук)
      - NBR (нитрильный каучук)



    Производитель
    • АО "Вакууммаш"


    Бренд
    • VACMA (Вакма)


    Страна
    • Россия




    Преимущества КВР-16

    • ■    Появится в реестре Минпромторга во 2-м квартале 2026г.
    • ■    Усилие на ручке в момент уплотнения 1,0 Н∙м
    • ■    Тип входного фланца ISO-KF
    • ■    Климатическое исполнение УХЛ4
    • ■    Гарантия 12 месяцев
    • ■    Соответствует требованиям Технического Регламента Таможенного союза

    Технические характеристики КВР-16


    Наименование параметра


    Значение для клапана КВР-16

    Проводимость (теоретическая) в молекулярном режиме, м3/с, не менее 0,0055
    Норма герметичности, л·Па/c (л·мкм рт.ст./c), не более 1,0х10-7 (7,5х10-7)
    Усилие на ручке в момент уплотнения, Н∙м, не более 1
    Перепад давлений в закрытом положении, с любой стороны клапана, Па (мм рт.ст.), не более: 1,07х105 (800)
    Масса КВР, кг, не более 0,72
    (с алюминиевым корпусом) 0,44

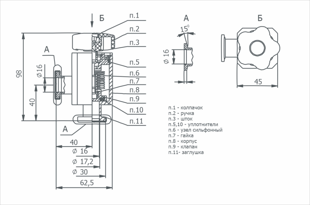
    Габаритный чертёж КВР-16

    Габаритный чертёж КВР-16


    МАСТЕР ПОДБОРА ВАКУУМНОГО ОБОРУДОВАНИЯ определит примерные характеристики требуемого насоса

    ПЕРЕВОД ЕДИНИЦ | ОНЛАЙН КАЛЬКУЛЯТОР автоматически пересчитает значения

    СТАТЬИ О ВАКУУМНОЙ ТЕХНИКЕ расширят познания о вакуумной технике

    РЕКЛАМНЫЕ МАТЕРИАЛЫ на вакуумное оборудование и арматуру

    ОБЛАСТИ ПРИМЕНЕНИЯ ВАКУУМНОГО ОБОРУДОВАНИЯ можно узнать на нашем сайте




    • Категория: Запорно-регулирующий клапан
    • Исполнение: Угловой
    • Страна / Производитель: Россия / Вакууммаш (Вакма)
    • Диаметр условного прохода, мм: 16
    • Проводимость, м3/с: 0,0055
    • Тип входного фланца: ISO-KF

        Наименование параметра


        Значение для клапана КВР-16

        Проводимость (теоретическая) в молекулярном режиме, м3/с, не менее 0,0055
        Норма герметичности, л·Па/c (л·мкм рт.ст./c), не более 1,0х10-7 (7,5х10-7)
        Усилие на ручке в момент уплотнения, Н∙м, не более 1
        Перепад давлений в закрытом положении, с любой стороны клапана, Па (мм рт.ст.), не более: 1,07х105 (800)
        Масса КВР, кг, не более 0,72
        (с алюминиевым корпусом) 0,44



        НАШИ ПРЕИМУЩЕСТВА


        Индивидуальный подход
        Лучшие специалисты с многолетним опытом
        Оперативность решений
        Цены от производителя
        Доставка по РФ и СНГ
        Государственные лицензии