RU
EN
Перевод единиц | Онлайн калькулятор
Корзина
Сравнение

Азотная вакуумная ловушка ЛА-250 

Купить в АО Вакууммаш ✓ Азотная вакуумная ловушка ЛА-250 ✦ узнать цены и отзывы в каталоге
Купить в АО Вакууммаш ✓ Азотная вакуумная ловушка ЛА-250 ✦ узнать цены и отзывы в каталоге
Купить в АО Вакууммаш ✓ Азотная вакуумная ловушка ЛА-250 ✦ узнать цены и отзывы в каталоге
Купить в АО Вакууммаш ✓ Азотная вакуумная ловушка ЛА-250 ✦ узнать цены и отзывы в каталоге
Фото демонстрационное. Внешний вид может незначительно отличаться. Мы оставляем за собой право на модификации изделий не влияющие на технические характеристики.
Есть в наличии
Азотная вакуумная ловушка ЛА-250
Жидкость охлаждения азот
Климатическое исполнение УХЛ4
Гарантия 12 месяцев
  • Вид: Фланцевая
  • Тип: Азотная
  • Проводимость, л/с: 2300
  • Страна / Производитель: Россия / Вакууммаш (Вакма)
  • Диаметр условного прохода, мм: 250
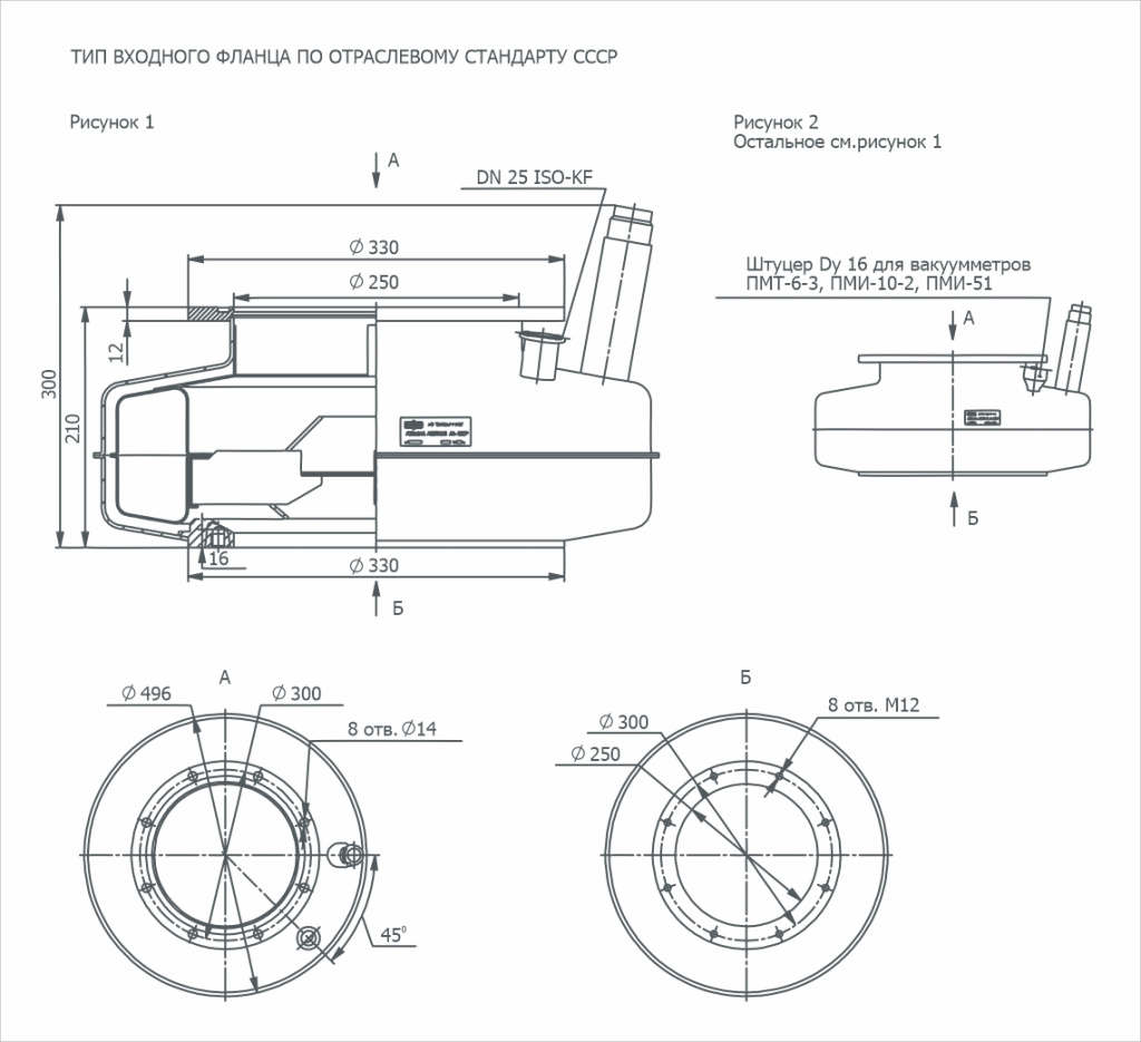
    Тип входного фланца
    По отраслевому стандарту СССР
    • По отраслевому стандарту СССР
    • ISO-K
    • -
    Материал корпуса
    Сталь нержавеющая
    • Сталь нержавеющая
    • Сталь углеродистая
    • -
    Вспомогательный патрубок для средств измерения
    Штуцер Dy16 (1шт) для вакуумметров ПМТ-6-3, ПМИ-10-2, ПМИ-51
    • Штуцер Dy16 (1шт) для вакуумметров ПМТ-6-3, ПМИ-10-2, ПМИ-51
    • KF25 (1шт)
    • -
    Азотная вакуумная ловушка ЛА-250 
    1 500 руб.
    Добавить в сравнение
    Распечатать страницу
    - +
    шт
    УЗНАТЬ ЦЕНУ
    Описание
    Характеристики
    Габариты
    Рекомендуем

    Азотная ловушка ЛА-250(Р): описание, преимущества, технические характеристики, габаритный чертёж, рекламные материалы

    Азотная заливная ловушка ЛА-250(Р) устанавливается на входном фланце диффузионного насоса и предназначена для снижения потока паров рабочей жидкости в откачиваемый объем путем конденсации их на охлажденных жидким азотом элементах вымораживающего устройства.




    Установка ЛА-250(Р) совместима с вакуумным насосом

    • Вакуумный насос других производителей





    Материал корпуса
    • - Сталь нержавеющая
      - Сталь углеродистая


    Тип входного фланца
    • - ISO-K (ЛА-250)
      - По отраслевому стандарту СССР (ЛА-250Р)

    Вспомогательный патрубок для средств измерения
    • - Штуцер Dy16 (1шт) для вакуумметров ПМТ-6-3, ПМИ-10-2, ПМИ-51
      - KF25 (1шт)


    Производитель
    • АО "Вакууммаш"


    Бренд
    • VACMA (Вакма)


    Страна
    • Россия



    Преимущества ЛА-250(Р)

    • ■    Жидкость охлаждения азот
    • ■    Расход жидкого азота при давлении 6,6х10 Па 5 (5х10 мм рт.ст.) 1 л/ч
    • ■    Климатическое исполнение УХЛ4
    • ■    Гарантия 12 месяцев

    Технические характеристики ЛА-250(Р)


    Наименование параметра


    Значение для ловушки ЛА-250 / ЛА-250Р

    Проводимость при давлении 1,3х10-2 Па (1х10-4 мм рт.ст.), л/с (м3/ч), не менее 2300 (8280)
    Расход жидкого азота при давлении 6,6х10-3 Па (5х10-6 мм рт.ст.), л/ч, не более 1
    Объем вымораживающего устройства для жидкого азота, л, не менее 7,5
    Пролет паров масла при давлении 1,3х10-2 Па (1х10-4 мм рт.ст.), г/ч, не более 5,0х10-5
    Масса без учета заглушек и деталей их крепления, кг, не более 28
    Масса с учетом заглушек и деталей их крепления, кг, не более 41
    Габаритные размеры, мм
         длина 496
         ширина 496
         высота 300

    Габаритный чертёж ЛА-250(Р)

    Габаритный чертёж ЛА-250

    Габаритный чертёж ЛА-250Р


    МАСТЕР ПОДБОРА ВАКУУМНОГО ОБОРУДОВАНИЯ определит примерные характеристики требуемого насоса

    ПЕРЕВОД ЕДИНИЦ | ОНЛАЙН КАЛЬКУЛЯТОР автоматически пересчитает значения

    СТАТЬИ О ВАКУУМНОЙ ТЕХНИКЕ расширят познания о вакуумной технике

    РЕКЛАМНЫЕ МАТЕРИАЛЫ на вакуумное оборудование и арматуру

    ОБЛАСТИ ПРИМЕНЕНИЯ ВАКУУМНОГО ОБОРУДОВАНИЯ можно узнать на нашем сайте


    Рекомендуем
    • Диффузионный высоковакуумный насос НД-250
    • Бустерный высоковакуумный насос 2НВБМ-250/3000
    • Минеральное вакуумное масло VACMA OIL 300
    Показать все рекомендуемые
    Услуги на инжиниринг Услуги сервиса Документы
    • Вид: Фланцевая
    • Проводимость, л/с: 2300
    • Страна / Производитель: Россия / Вакууммаш (Вакма)
    • Диаметр условного прохода, мм: 250

        Наименование параметра

        Значение для ловушки ЛА-250 / ЛА-250Р

        Проводимость при давлении 1,3х10-2 Па (1х10-4 мм рт.ст.), л/с (м3/ч), не менее 2300 (8280)
        Расход жидкого азота при давлении 6,6х10-3 Па (5х10-6 мм рт.ст.), л/ч, не более 1
        Объем вымораживающего устройства для жидкого азота, л, не менее 7,5
        Пролет паров масла при давлении 1,3х10-2 Па (1х10-4 мм рт.ст.), г/ч, не более 5,0х10-5
        Масса без учета заглушек и деталей их крепления, кг, не более 28
        Масса с учетом заглушек и деталей их крепления, кг, не более 41
        Габаритные размеры, мм
             длина 496
             ширина 496
             высота 300


        Почему нас выбирают




        Наши контакты
        г. Казань,
        ул. Тульская, 58
        +7 (800) 100-59-62
        телефон отдела продаж
        Задать вопрос
        отдел продаж +7 (800) 100-59-62 kazan@vacma.ru 420054, Республика Татарстан, г. Казань, ул. Тульская, 58