Задать вопрос
Заказать звонок
video
RU
EN
Перевод единиц | Онлайн калькулятор
Корзина
Сравнение

Пневматический вакуумный затвор ЗВпП-160 

Появится в реестре Минпромторга во 2-м квартале 2026г.
Купить в АО Вакууммаш ✓ Пневматический вакуумный затвор ЗВпП-160 ✦ узнать цены и отзывы в каталоге
Купить в АО Вакууммаш ✓ Пневматический вакуумный затвор ЗВпП-160 ✦ узнать цены и отзывы в каталоге
Купить в АО Вакууммаш ✓ Пневматический вакуумный затвор ЗВпП-160 ✦ узнать цены и отзывы в каталоге
Купить в АО Вакууммаш ✓ Пневматический вакуумный затвор ЗВпП-160 ✦ узнать цены и отзывы в каталоге
Фото демонстрационное. Внешний вид может незначительно отличаться. Мы оставляем за собой право на модификации изделий не влияющие на технические характеристики.
Есть в наличии
Появится в реестре Минпромторга во 2-м квартале 2026г.
Пневматический вакуумный затвор ЗВпП-160
Шиберный вид затвора
Материал корпуса из нержавеющей стали
2 позиции контроля (открыть/закрыть)
Вид уплотнения Витон (фторкаучук)
Тип входного фланца ISO-F
Климатическое исполнение УХЛ4
Гарантия 12 месяцев
Соответствует требованиям Технического Регламента Таможенного союза
  • Вид: Шиберный
  • Тип: Пневматический
  • Категория: Запорно-регулирующий затвор
  • Время открывания/закрывания, с: 6
  • Страна / Производитель: Россия / Вакууммаш (Вакма)
  • Диаметр условного прохода, мм: 160
  • Проводимость, м3/с: 5,4
  • Тип входного фланца: ISO-F
    Напряжение питания
    12 В (постоянный ток)
    • 12 В (постоянный ток)
    • 24 В (постоянный ток)
    • 230 В (переменный ток)
    • -
    Пневматический вакуумный затвор ЗВпП-160 
    272 100 руб.
    Добавить в сравнение
    Распечатать страницу
    - +
    шт
    УЗНАТЬ ЦЕНУ
    Описание
    Характеристики
    Габариты
    Документы
    Рекомендуем

    Пневматический затвор ЗВпП-160: описание, преимущества, технические характеристики, габаритный чертёж, рекламные материалы

    Затвор вакуумный пневматический ЗВпП-160 относится к запорно-регулирующей вакуумной арматуре, используется для изолирования вакуумных камер от систем, отвечающих за процесс откачки. Затвор позволяет осуществлять контроль за напуском воздуха или газовой среды в камеры, с его помощью можно добиться необходимой герметичности, защитить рабочие элементы от негативного воздействия внешней среды. Затвор ЗВпП-100 предназначен для перекрытия вакуумных систем в диапазоне давлений от 1·10–6до 1,07·105 Па (от 0,75·10–8 до 800 мм рт. ст.), вид затвора шиберный. Затвор вакуумный пневматический ЗВпП-160 состоит из механизма, корпуса и пневмопривода. В состав пневмопривода входит пневмоцилиндр, на поршне которого установлен постоянный магнит для определения его положения с помощью закрепляемых на корпусе цилиндра магнитных датчиков положения «Закрыто» и «Открыто» и распределителя, в который осуществляется подача сжатого воздуха через фитинг. Скорость пневмоцилиндра в частности и работы затвора в целом регулируются при помощи вращения головки пневмодросселя, если головки пневмодросселей полностью затянуты, то скорость открытия и закрытия затвора будет максимальной. Соленоид, запитанный при помощи разъема, служит устройством управления распределителем и применим в стандартных условиях производства, где относительная влажность воздуха не выше 75%.




    Установка ЗВпП-160 совместима с вакуумным насосом

    • Вакуумный насос других производителей





    Напряжение питания
    • - 12 В (постоянный ток)
      - 24 В (постоянный ток)
      - 230 В (переменный ток)



    Производитель
    • АО "Вакууммаш"


    Бренд
    • VACMA (Вакма)


    Страна
    • Россия




    Преимущества ЗВпП-160

    • ■    Материал корпуса из нержавеющей стали
    • ■    Вид уплотнения NBR (нитрильный каучук)
    • ■    Двух позиционное управление затвора (открыто/закрыто)
    • ■    Время открывания/закрывания затвора 6c
    • ■    Тип входного фланца ISO-F
    • ■    Затвор Нормально-закрытый (работает как предохранитель)
    • ■    Климатическое исполнение УХЛ4
    • ■    Гарантия 12 месяцев, при наработке не превышающей 4500 циклов "Открыто-Закрыто"
    • ■    Соответствует требованиям Технического Регламента Таможенного союза

    Технические характеристики ЗВпП-160


    Наименование параметра


    Значение для затвора ЗВпП-160

    Проводимость (теоретическая) в молекулярном режиме, м3/с, не менее 5,4
    Норма герметичности, л·Па/c (л·мкм рт.ст./c), не более 5,6х10-4 (4,2х10-3)
    Время открывания (закрывания) затвора от пневмопривода, с, не более 6
    Диапазон рабочих давлений, Па (мм рт.ст.) от 1х10-6 до 1,07х105
    (от 0,75х10-8 до 800)
    Перепад давлений в закрытом положении с любой стороны заслонки, Па (мм рт.ст.), не более 1,07х105 (800)
    Допустимый перепад давлений при открывании заслонки, Па (мм рт.ст.), не более 1,3х103 (10)
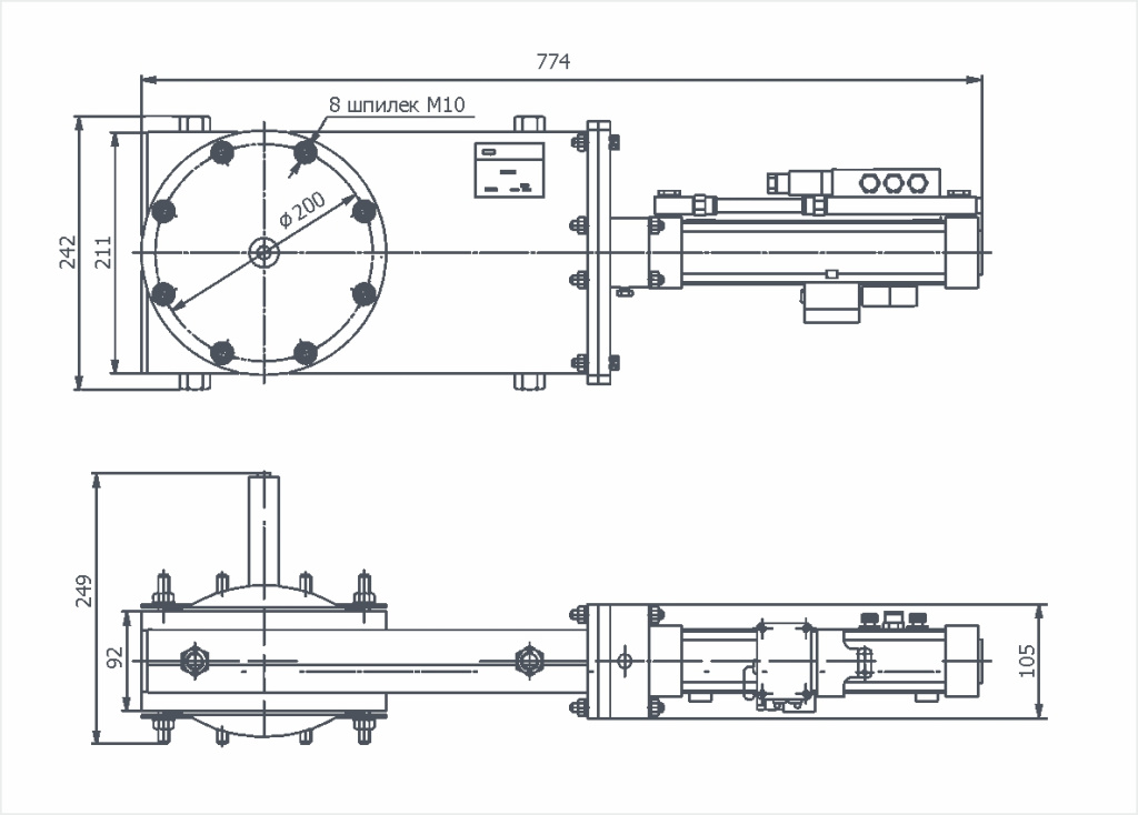
    Габаритные размеры, мм 774х249х242
    Масса, кг, не более  26

    Габаритный чертёж ЗВпП-160

    Габаритный чертёж ЗВпП-160


    МАСТЕР ПОДБОРА ВАКУУМНОГО ОБОРУДОВАНИЯ определит примерные характеристики требуемого насоса

    ПЕРЕВОД ЕДИНИЦ | ОНЛАЙН КАЛЬКУЛЯТОР автоматически пересчитает значения

    СТАТЬИ О ВАКУУМНОЙ ТЕХНИКЕ расширят познания о вакуумной технике

    РЕКЛАМНЫЕ МАТЕРИАЛЫ на вакуумное оборудование и арматуру

    ОБЛАСТИ ПРИМЕНЕНИЯ ВАКУУМНОГО ОБОРУДОВАНИЯ можно узнать на нашем сайте




    Рекомендуем
    • Диффузионный высоковакуумный насос НВДМ-160
    • Бустерный высоковакуумный насос 2НВБМ-160/1000
    • Минеральное вакуумное масло VACMA OIL 300
    Показать все рекомендуемые
    Услуги сервиса
    • Вид: Шиберный
    • Категория: Запорно-регулирующий затвор
    • Время открывания/закрывания, с: 6
    • Страна / Производитель: Россия / Вакууммаш (Вакма)
    • Диаметр условного прохода, мм: 160
    • Проводимость, м3/с: 5,4
    • Тип входного фланца: ISO-F

        Наименование параметра


        Значение для затвора ЗВпП-160

        Проводимость (теоретическая) в молекулярном режиме, м3/с, не менее 5,4
        Норма герметичности, л·Па/c (л·мкм рт.ст./c), не более 5,6х10-4 (4,2х10-3)
        Время открывания (закрывания) затвора от пневмопривода, с, не более 6
        Диапазон рабочих давлений, Па (мм рт.ст.) от 1х10-6 до 1,07х105
        (от 0,75х10-8 до 800)
        Перепад давлений в закрытом положении с любой стороны заслонки, Па (мм рт.ст.), не более 1,07х105 (800)
        Допустимый перепад давлений при открывании заслонки, Па (мм рт.ст.), не более 1,3х103 (10)
        Габаритные размеры, мм 774х249х242
        Масса, кг, не более  26



        НАШИ ПРЕИМУЩЕСТВА


        Индивидуальный подход
        Лучшие специалисты с многолетним опытом
        Оперативность решений
        Цены от производителя
        Доставка по РФ и СНГ
        Государственные лицензии