Двухроторный масляный агрегат АВД-50/5: описание, преимущества, область применения, технические характеристики, габаритный чертёж, рекламные материалы
Масляный двухроторный вакуумный агрегат бренда Vacma (Вакма) АВД-50/5 может работать непрерывно при давлении на входе не выше 133 Па (1 ммрт.ст.) или откачивать в течение 8 ч один или несколько герметичных сосудов общим объёмом 3,5 куб.м от атмосферного до предельного остаточного давления. Применяется в качестве форвакуумной откачки к высоковакуумным насосам, рекомендуем использовать к диффузионному насосу НД-250, к диффузионному насосу НД-320Э и к диффузионному агрегату АВДМ-250. Агрегат АВД-50/5 состоит из последовательно соединённого двухроторного вакуумного насоса типа Рутс НВД-200 и пластинчато-роторного вакуумного насоса 2НВР-5ДМ1. Между собой эти насосы соединены с помощью адаптера, представляющего собой одновременно переходник и опорный узел.
✔ По отзывам о двухроторном агрегате АВД-50/5 оборудование обеспечивает эффективную стабильную перекачку воздуха, газообразных сред в различных областях промышленности
✔ Узнать цену можно у специалистов АО «Вакууммаш» на нашем сайте для этого достаточно отправить заявку
Преимущества АВД-50/5
- ■ Появится в реестре Минпромторга во 2-м квартале 2026г.
- ■ Материал корпуса из углеродистой стали
- ■ Воздушное охлаждение
- ■ Заправлен маслом VACMA OIL 100
- ■ Напряжение питания 400 В (переменный ток)
- ■ Мощность электродвигателя 1,65 кВт
- ■ Климатическое исполнение УХЛ4
- ■ Гарантия 12 месяцев, при средней наработке, не превышающей 1500ч
- ■ Соответствует требованиям Технического Регламента Таможенного союза
Область применения АВД-50/5
Пищевая промышленность Нефтехимическая промышленность Химическая промышленность Производство резиновых изделий Производство кристаллов Металлургия Машиностроение Производство электрооборудования Производство электроэнергии Строительная отрасль Научно-исследовательская деятельность Космическая отрасль Атомная отрасль Вакуумное напыление
Технические характеристики АВД-50/5
Наименование параметра и размера
|
Значения для агрегата АВД-50/5
|
|
Быстрота действия при рабочем давлении 26,6 Па (2х10-1ммрт.ст.), м3/ч (л/с)
|
180 (50)
|
Предельное остаточное давление, Па (мм рт.ст.), не более:
- полное предельное остаточное давление (с учётом паров рабочей жидкости)
- парциальное по воздуху
|
1,3х10-1(1х10-3)
6,6х10-3(5х10-5)
|
|
Марка рабочей жидкости (вакуумное минеральное масло)
|
VACMA OIL 100
|
|
Потребляемая мощность при рабочем давлении, кВт, не более
|
0,8
|
|
Установленная мощность электродвигателей агрегата, кВт, не более
|
1,65
|
|
Охлаждение агрегата
|
Воздушное
|
Условный проход, мм:
- входа
- выхода
|
63
15
|
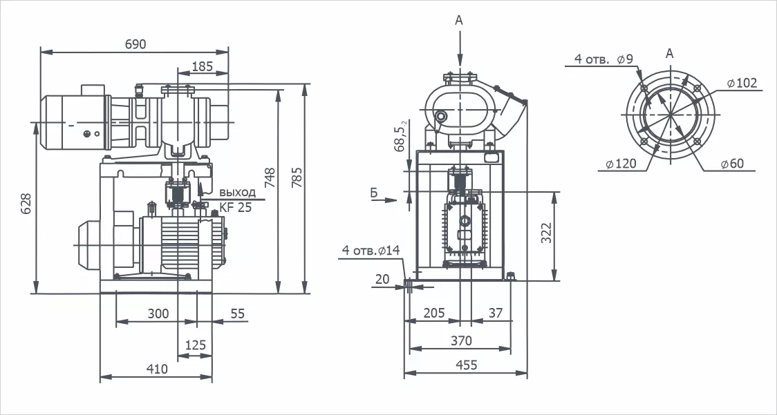
Габаритные размеры, мм, не более:
- длина
- ширина
- высота
|
690
455
785
|
|
Масса,кг, не более*
|
105
|
ПРИМЕЧАНИЕ:
* Масса агрегатов указана без учета заливаемого масла.
|
Габаритный чертёж АВД-50/5

Зависимость быстроты действия на входе в агрегат АВД-50/5 от входного давления
➜ МАСТЕР ПОДБОРА ВАКУУМНОГО ОБОРУДОВАНИЯ определит примерные характеристики требуемого насоса
➜ ПЕРЕВОД ЕДИНИЦ | ОНЛАЙН КАЛЬКУЛЯТОР автоматически пересчитает значения
➜ СТАТЬИ О ВАКУУМНОЙ ТЕХНИКЕ расширят познания о вакуумной технике
➜ РЕКЛАМНЫЕ МАТЕРИАЛЫ на вакуумное оборудование и арматуру